Presa per LED da 5 mm, plastica
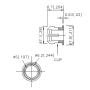
Il supporto a pannello in plastica per LED da 5 mm viene utilizzato per fissare meccanicamente il diodo LED in un foro del pannello o dell'alloggiamento. Il design con bloccaggio flessibile (clip) consente un montaggio rapido senza l'uso di adesivi e allo stesso tempo migliora la stabilità del montaggio del LED nell'applicazione.
Specifiche tecniche
- Progettato per: LED da 5 mm
- Tipo di montaggio: pannello (clip a scatto)
- Materiale: plastica ABS
- Colore: nero
- Diametro del foro di montaggio consigliato: 6,1 mm
- Temperatura di esercizio: da -25 a +75 °C
Funzioni e caratteristiche
- Montaggio meccanico del LED da 5 mm nel pannello con posizionamento ripetibile
- Design a scatto per una rapida installazione in un foro preparato
- Materiale elettricamente non conduttivo adatto alle comuni applicazioni LED a bassa tensione
- Protezione LED contro sollecitazioni dirette sui terminali durante la manipolazione del pannello
Ideale per
- Indicatori LED nei pannelli degli strumenti e nelle coperture
- Prototipi, dispositivi di prova e attrezzature di laboratorio
- Pannelli di controllo, porte di armadi e applicazioni di armadi a bassa tensione
Contenuto della confezione
- 1 presa in plastica per LED da 5 mm
Perché scegliere questo prodotto?
- Montaggio semplice e veloce del pannello senza elementi di fissaggio aggiuntivi
- Design standard per LED da 5 mm con foro di montaggio definito
- Plastica ABS con intervallo di temperatura di esercizio dichiarato
Istruzioni per l'installazione e l'uso
- Preparare un foro del diametro di 6,1 mm nel pannello e rimuovere eventuali sbavature.
- Inserire il manicotto nel foro e agganciarlo con le clip a molla.
- Inserire il LED da 5 mm nella presa e accertarsi che sia posizionato correttamente; effettuare il collegamento elettrico in base al cablaggio del LED (resistenza in serie, ecc.).
- Colore
- Nero
Importatore per l'UE: AMPUL SYSTEM s.r.o., Čsl. armády 641/40, 78701 Šumperk, Repubblica Ceca,
6 altri prodotti della stessa categoria:
